涿州城区地表水厂太阳能与地源热泵结合系统项目

发布日期:2017-09-13浏览次数:25966

工程项目名称:涿州城区地表水厂太阳能与地源热泵结合系统项目
甲方单位名称:涿州市城市投资发展有限公司
工程安装时间:2017年3月15日
工程周期:项目周期20天,竣工日期:2017年4月05日
项目亮点:
5月22日,格瑞德集团在涿州城区地表水厂的太阳能与地源热泵结合应用项目调试完成,系统开始投入运行,充分体现太阳能与地源热泵结合研究取得了实质性的突破,为后期太阳能与空调结合揭开绚丽篇章。
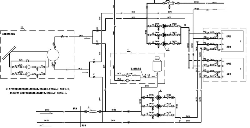
客户简介:涿州城区地表水厂位于保定市涿州市,是南水北调的配套项目,建设日用水量10万立方米,总投资2.1亿元,该厂区热源采用地源热泵+太阳能蓄热调峰的系统形式。夏季提供冷媒温度为7~12℃,冬季热媒供回水温度为45/40℃;水厂总冷负荷130KW,热负荷310KW,由地源热泵系统供应热量250KW,剩余60KW由太阳能系统进行调峰,过渡季节由太阳能进行蓄能。太阳能集热器安装于地源热泵机房屋面,总计安装平板太阳能集热器200平米,太阳能系统功率6.5KW。
格瑞德太阳能与地源热泵结合系统应用原理:
一、系统图
 
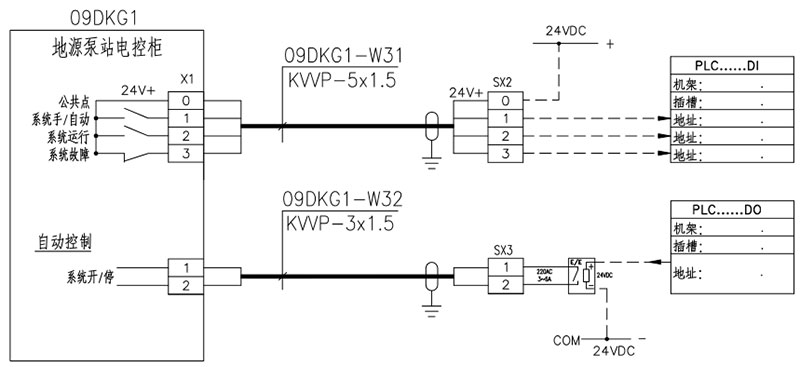
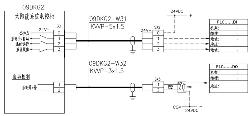
二、太阳能系统及地源热泵站接线图
 


 
工程所在区域:河北
地    址:河北涿州

使用效果:系统运行良好。
售后服务:
质保服务承诺:
质保期内的服务承诺:
1、我方提供的电器设备产品保修三年,太阳能集热器保修三年。保修期内凡属产品质量及安装问题,出现故障造成维修所发生的一切费用,均由乙方承担,
2、保质期内定期巡检:每年巡检一次。
3、维修服务响应时间:24小时内服务到位、24小时电话值守、48小时内电话回访、滚动巡检、终身上门服务。
4、免费调试:安装完毕后免费进行调试,调试完全没有问题以后方验收并移交使用。
5、免费培训:验收完毕后对使用人员免费培训,教会为止。
质保期外的服务:
1、提供终身服务,维修所发生的费用乙方只收取材料费,免收服务费。
2、质保期外需要更换零配件的,我们按当时市价收取材料成本费和人工费。
项目照片:

  

                           地源热泵打井施工                                             软化水系统                            太阳能系统过热保护

                                                                               太阳能系统

                                                                              地源热泵机组

400-618-5015
全国客服服务热线

关注官方微信
商务平台Android版
商务平台IOS版